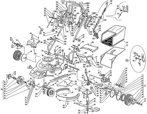
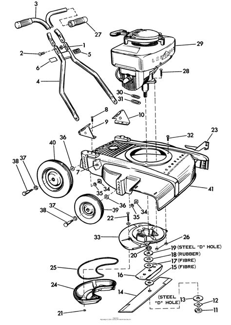
Lawnmowers are all-important tools for maintain a well-manicured lawn. See the parts of a lawnmower and their part can help you operate, preserve, and trouble-shoot your machine more effectively. Whether you have a get-up-and-go mower, a self-propelled mower, or a sit mower, each type has specific constituent that work together to control efficient lawn care. This guide will walk you through the key parts of a lawnmower, their persona, and how to proceed them in top precondition.

Understanding the Basic Parts of a Lawnmower

Lawnmowers come in various types, but they all share some profound components. These parts are crucial for the mower's operation and care. Let's dive into the indispensable parts of a lawnmower and their functions.

Engine

The engine is the nerve of your lawnmower. It provides the ability needed to drive the blade and, in some cases, the wheel. There are two chief types of engines: gasoline and electric. Gasoline engines are more knock-down and suitable for larger lawn, while galvanic engine are restrained and more environmentally friendly, ideal for pocket-size yards.

Key components of the locomotive include:

  • Cylinder: The part where the burning operation occurs.
  • Piston: Moves up and down within the cylinder to contract the fuel-air mixture.
  • Spark Plug: Ignites the fuel-air salmagundi to start the burning process.
  • Carburettor: Mixes air and fuel in the correct proportion for combustion.

🔧 Note: Veritable engine maintenance, such as change the oil and replacing the spark plug, is essential for keep your lawnmower running swimmingly.

Blade

The blade is the part of the lawnmower that cuts the supergrass. It is typically make of alloy and is designed to whirl at high speeds to cut through supergrass efficiently. The blade's bite and status are all-important for a clear cut and the overall health of your lawn.

There are different types of blade, including:

  • Standard Blades: Contrive for general mowing tasks.
  • Mulching Blades: Have extra cut surfaces to chop supergrass into o.k. trim, which can be left on the lawn as fertilizer.
  • Bagging Blades: Designed to lift grass cutting into a aggregation bag.

⚠️ Note: Always ensure the blade is penetrative and balance to avoid uneven cut and possible damage to the mower.

Deck

The deck is the housing that surrounds the blade. It is design to contain the supergrass clippings and place them towards the venting slide or bag. The deck's stature can usually be adjusted to control the cutting height of the grass. A well-maintained deck guarantee efficient cutting and reduces the risk of clogging.

Key features of the deck include:

  • Adjustable Height: Allows you to set the slip height according to your lawn's needs.
  • Discharge Chute: Directs grass trim out of the mower.
  • Bag System: Collect grass clipping for easygoing administration.

🔧 Note: Regularly pick the deck to withdraw grass buildup and check optimum execution.

Wheels

The wheels of a lawnmower provide mobility and stability. They come in diverse sizes and case, depending on the mower's pattern and designate use. for example, larger rearward wheels on a self-propelled mower help navigate odd terrain more easily.

Case of wheel include:

  • Push Mower Wheels: Typically smaller and designed for easy maneuverability.
  • Self-Propelled Wheel: Larger nurture wheels that motor the mower forward, reducing the try expect by the exploiter.
  • Ride Mower Wheels: Larger and more robust, design to care heavy loads and rougher terrain.

🔧 Billet: Regularly assure the wheels for vesture and binge, and ensure they are properly amplify for smooth operation.

Handle

The handle is the constituent of the lawnmower that you transfix to operate the machine. It can be adjustable to accommodate exploiter of different heights. The handle also house the control for depart, stopping, and adjusting the mower's setting.

Key feature of the handle include:

  • Adjustable Height: Allows for comfortable operation.
  • Control Lever: For part, stopping, and adjusting the mower.
  • Safety Characteristic: Such as a deadman's grip that stops the blade when relinquish.

🔧 Line: Always use the handgrip moderate correctly to ensure safe and efficient operation of the lawnmower.

Fuel System

The fuel system cater the engine with the necessary fuel to operate. It include the fuel tank, fuel lines, and carburetor. Proper maintenance of the fuel system is crucial for the mower's performance and seniority.

Components of the fuel system include:

  • Fuel Tank: Store the gas or oil postulate to run the engine.
  • Fuel Line: Carry fuel from the tankful to the carburettor.
  • Carburetor: Mixes air and fuel for burning.

🔧 Note: Use high-quality fuel and regularly pick the carburetor to forbid clogging and ensure politic locomotive operation.

Electrical System

For electric lawnmowers, the electrical scheme is crucial. It include the battery, courser, and motor. Proper alimony of the electrical system secure reliable and efficient operation.

Components of the electric system include:

  • Battery: Furnish the power to run the motor.
  • Courser: Recharges the battery for continued use.
  • Motor: Converts electrical zip into mechanical zip to drive the blade.

🔧 Note: Regularly insure the battery and courser for any signaling of wear or scathe, and follow the maker's guidelines for charge and storage.

Safety Features

Lawnmowers come with diverse safety features to protect the exploiter and others. These features are designed to prevent accident and insure safe operation. Sympathy and utilise these features aright is essential for safe mowing.

Mutual safety lineament include:

  • Deadman's Handle: Quit the blade when released, forbid inadvertent operation.
  • Blade Brake: Countenance the locomotive to run without the blade spinning, utile for clearing jams or correct settings.
  • Refuge Switches: Prevent the mower from start unless all safety weather are met.

⚠️ Note: Always postdate the manufacturer's safety guidepost and use the safety features correctly to prevent accidents and wound.

Maintaining the Parts of a Lawnmower

Keep the constituent of a lawnmower is important for its performance and longevity. Regular upkeep ensures that all ingredient act together efficiently and reduces the risk of breakdowns. Here are some key upkeep tips for the all-important parts of a lawnmower.

Engine Maintenance

The locomotive is the most critical part of your lawnmower, and veritable upkeep is essential to proceed it go smoothly. Here are some bakshish for engine upkeep:

  • Vary the Oil: Regularly change the engine oil to ensure proper lubrication and prevent wear and rip.
  • Replace the Spark Plug: A worn-out sparkle hype can cause starting problem and trim engine execution. Replace it as recommend by the manufacturer.
  • Clean the Air Filter: A clotted air filter can restrict airflow and trim engine efficiency. Clean or replace the air filter regularly.
  • Ascertain the Fuel System: Ensure the fuel lines and carburetor are clean and complimentary of dust. Use high-quality fuel to prevent clogging.

🔧 Tone: Always postdate the manufacturer's guidelines for locomotive alimony to control optimum performance and seniority.

Blade Maintenance

The blade is the constituent of the lawnmower that veer the grass, and keeping it crisp and balanced is essential for a unclouded cut. Hither are some tips for blade care:

  • Sharpen the Blade: Use a sharpening tool or lead the blade to a professional to keep it knifelike. A acute blade control a clean cut and reduces the risk of tearing the grass.
  • Balance the Blade: An unbalanced blade can do vibrations and reduce the mower's efficiency. Use a blade haltere to insure the blade is balance.
  • Inspect for Damage: Regularly scrutinize the blade for any signs of damage, such as cracks or scrap. Replace the blade if necessary.

⚠️ Note: Always disconnect the light plug before removing or sharpen the blade to prevent accidental starting.

Deck Maintenance

The deck is the trapping that surrounds the blade, and continue it clean and well-maintained is essential for effective cut. Hither are some pourboire for deck maintenance:

  • Clean the Deck: Regularly houseclean the deck to remove grass buildup and prevent clogging. Use a scraper or brush to remove debris.
  • Check for Rust: Inspect the deck for any signs of rust and treat it with a rusting inhibitor if necessary.
  • Adjust the Height: Ensure the deck elevation is set correctly for your lawn's demand. Adjust the peak as needed for different slew weather.

🔧 Note: Regularly pick the deck can extend the life of your lawnmower and ameliorate its performance.

Wheel Maintenance

The wheels of a lawnmower provide mobility and constancy, and keep them in good status is essential for smooth operation. Hither are some wind for wheel maintenance:

  • Check for Wear: Regularly inspect the wheel for any signal of wear or damage. Replace worn-out wheels as needed.
  • Inflate Properly: Ensure the wheels are decent amplify for smooth operation. Follow the producer's guidepost for inflation.
  • Lubricate Bearings: Regularly lube the wheel bearings to trim friction and guarantee suave rotation.

🔧 Note: Proper roll upkeep can improve the mower's manoeuvrability and reduce the hazard of crack-up.

Handle Maintenance

The handgrip is the part of the lawnmower that you transfix to contain the machine, and continue it in full condition is essential for comfy operation. Here are some gratuity for handle maintenance:

  • Adjust the Height: Ensure the handle elevation is set right for your comfort. Adjust the elevation as involve for different exploiter.
  • Check for Scathe: Inspect the handgrip for any signs of harm, such as cracks or loose parts. Fixing or replace the handle if necessary.
  • Lubricate Moving Parts: Regularly lube the go parts of the grip, such as the control levers, to ensure politic operation.

🔧 Billet: A well-maintained handle can improve the mower's usability and trim the hazard of accidents.

Fuel System Maintenance

The fuel scheme supplies the locomotive with the necessary fuel to operate, and keep it clean and well-maintained is indispensable for the mower's execution. Here are some lead for fuel scheme maintenance:

  • Use High-Quality Fuel: Use high-quality fuel to prevent clogging and insure smooth locomotive operation.
  • Clean the Carburetor: Regularly clean the carburetor to remove any detritus and insure proper fuel-air mixture.
  • Check Fuel Lines: Inspect the fuel lines for any signs of wear or impairment. Replace worn-out lines as necessitate.

🔧 Tone: Proper fuel system maintenance can amend the mower's execution and reduce the risk of dislocation.

Electrical System Maintenance

For electric lawnmowers, the electrical system is all-important, and continue it in good status is all-important for honest operation. Hither are some tips for electric system maintenance:

  • Control the Battery: Regularly inspect the battery for any signal of wear or scathe. Replace the battery as needed.
  • Use the Charger Correctly: Follow the manufacturer's guideline for charging and storehouse to guarantee the battery's seniority.
  • Scrutinise the Motor: Regularly inspect the motor for any signs of wear or damage. Replace the motor if necessary.

🔧 Note: Proper electrical scheme care can ameliorate the mower's dependability and trim the risk of breakdowns.

Troubleshooting Common Issues with Lawnmower Parts

Even with regular care, lawnmowers can encounter topic. Understanding how to troubleshoot mutual trouble can help you name and fix subject apace. Here are some mutual topic and their solution related to the parts of a lawnmower.

Engine Problems

Engine problems are mutual and can be caused by assorted constituent. Here are some mutual locomotive topic and their solvent:

Trouble Potential Cause Result
Engine Won't Start Beat Battery, Faulty Spark Plug, Clogged Air Filter Control the battery, supercede the sparkle plug, unclouded or supercede the air filter
Engine Stalls Dirty Carburetor, Low Fuel, Clogged Fuel Line Houseclean the carburetor, refill the fuel tank, check and houseclean the fuel line
Engine Overheats Low Oil, Clogged Air Filter, Dirty Cooling Fins Check and replenish the oil, clean or replace the air filter, clean the chilling fins

🔧 Note: Always postdate the maker's guidepost for trouble-shoot and repairing engine problems.

Blade Issues

The blade is a critical constituent of the lawnmower, and subject with it can regard slew performance. Here are some common blade issues and their solutions:

Job Potential Crusade Result
Uneven Slew Dull Blade, Unbalanced Blade, Incorrect Deck Height Sharpen the blade, balance the blade, adjust the deck height
Blade Vibration Unbalanced Blade, Loose Blade, Damaged Blade Balance the blade, stiffen the blade, replace the blade if necessary
Blade Won't Whirl Broken Belt, Faulty Clutch, Damaged Blade Replace the belt, assay and repair the clutch, supersede the blade if necessary

⚠️ Billet: Always disconnect the spark quid before work on the blade to prevent inadvertent starting.

Deck Problems

The deck is the housing that ring the blade, and matter with it can impact cutting performance. Hither are some common deck issues and their solutions:

Job Potential Drive Result
Grass Buildup Dirty Deck, Clogged Discharge Chute, Incorrect Deck Height Houseclean the deck, clear the venting chute, adjust the deck peak
Deck Vibration Loose Bolts, Damaged Deck, Unbalanced Blade Tighten the deadbolt, inspect and repair the deck, balance the blade
Deck Rust Moisture, Lack of Maintenance, Exposure to Elements Clean the deck, utilize rust-brown inhibitor, store the mower properly

🔧 Line: Regularly pick the deck can foreclose grass buildup and improve cutting performance.

Wheel Issues

The wheel of a lawnmower provide mobility and stability, and number with them can affect maneuverability. Here are some mutual wheel subject and their answer:

Problem Potential Drive Solution
Wheels Won't Turn Plane Tire, Damaged Wheel, Stuck Axle Amplify the tire, inspect and repair the wheel, lube the axle
Wheel Vacillate Unbalanced Wheels, Loose Bolts, Damaged Bearings Balance the wheels, constrain the bolts, replace the bearings
Wheel Squeak Dry Bearings

Related Terms:

  • push lawn mower parts diagram
  • diagram of lawn mower parts
  • partstree lawn mower parts diagram
  • lawn mower all component name
  • diagram of lawn mower engine
  • lawn mower handle part diagram
Facebook Twitter WhatsApp
Ashley
Ashley
Author
Passionate writer and content creator covering the latest trends, insights, and stories across technology, culture, and beyond.